
³¬¿í´øÕý½»Ä£ñîºÏÆ÷
±¾¹«Ë¾Éè¼ÆµÄ³¬¿í´øOMTÓÐÁ½ÖÖÐÎʽ£¨·½ÐλòÔ²Ð⨵¼¿Ú£©£¬£¬£¬£¬·½²¨µ¼¿ÚµÄOMT¹«¹²¿ÚΪ·½ÐΣ¬£¬£¬£¬ÇÒ¹«¹²¿Ú´¦ÔÚÆ÷¼þµÄÖÐÖáÏßÉÏ£¬£¬£¬£¬ÈçÐèÅþÁ¬Ô²²¨µ¼¿ÚÀ®°ÈÌìÏßÐèÒªÅäÖÜÔâת»»£¬£¬£¬£¬ÆäµçÌØÕ÷Êǵȷù²»µÈÏࣻ£»£»£»£»£»Ô²²¨µ¼¿ÚµÄOMT¹«¹²¿ÚΪԲÐΣ¬£¬£¬£¬¿ÉÖ±½ÓÅþÁ¬Ô²²¨µ¼¿ÚÀ®°ÈÌìÏߣ¬£¬£¬£¬ÇÒ¹«¹²¿Ú´¦ÔÚÆ÷¼þµÄÆ«ÐÄλÖ㬣¬£¬£¬ÆäµçÌØÕ÷ÊǵȷùµÈÏà¡£¡£¡£¡£¿£¿Í»§¿Éƾ֤×ÔÉíÐèÇóÀ´Ñ¡ÔñÏìÓ¦OMTÐÎʽ¡£¡£¡£¡£
12-18GHz Õý½»Ä£ñîºÏÆ÷£¨OMT£©

DGÊÓѶ¹«Ë¾¿ª·¢³öµÄ¿í´øÕý½»Ä£ñîºÏÆ÷(OMT)ϵÁУ¬£¬£¬£¬¿ÉÁýÕÖ´ÓK µ½W Ƶ¶Î¹²Æß¸öƵ¶ÎµÄÈ«²¨µ¼Æµ´ø¡£¡£¡£¡£Õý½»Ä£ñîºÏÆ÷¿É½«Ô²²¨µ¼»ò·½²¨µ¼¿ÚµÄÐźÅÊèÉ¢³ÉÁ½¸öÕý½»·ÖÁ¿µÄÐźţ¬£¬£¬£¬²¢´ÓÏìÓ¦µÄ¾ØÐ⨵¼¿ÚÊä³ö£¬£¬£¬£¬Í¬Ê±£¬£¬£¬£¬Á½¸ö¼«»¯µÄÐźžßÓÐ30db ÒÔÉϵĸôÀë¶È¡£¡£¡£¡£·´Ö®£¬£¬£¬£¬Á½¸öÕý½»µÄÏß¼«»¯ÐźſÉÒԺϲ¢Êä³öµ½Ô²²¨µ¼»ò·½²¨µ¼¿Ú¡£¡£¡£¡£
´ËOMT ϵÁпÉÓÃÀ´Æ¥ÅäÊÕ·¢¹²ÓÃµÄ¿í´øË«¼«»¯ÌìÏߣ¬£¬£¬£¬ ÄÜÔÚÒ»¸öÅäºÏµÄ¶Ë¿ÚÄÚ´«ÊäÁ½¸öÕý½»µÄ·ÖÁ¿£¬£¬£¬£¬ÒÔÖª×ã¿Í»§µÄÖݪֲâÊÔÐèÇ󡣡£¡£¡£
ÉÏͼչʾµÄÕý½»Ä£ñîºÏÆ÷£¬£¬£¬£¬ÆäÊÂÇé´ø¿íΪ12-18GHz. ¿ÉʵÏÖÆµ¶ÎÄÚµÄÊÕ·¢¹²Ó㬣¬£¬£¬¾ßÓи߼«»¯¸ôÀë¶È£¬£¬£¬£¬ µÍ²îË𣬣¬£¬£¬ ¿íƵ´øµÄÌØµã£¬£¬£¬£¬ ²¢ÇÒ»¹¼æ¹Ë·ù¶ÈÒ»ÖÂÐԸߵÄÒªÇ󡣡£¡£¡£ÎÒ¹«Ë¾Ò²¿ÉÒÔÅäºÏ¿Í»§µÄÒªÇóÁ¿Éí¶¨ÖÆÆäËûÐèÇóµÄ¿í´øOMT¡£¡£¡£¡£
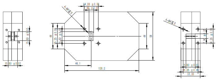
ÐÎ״ͼ (Mechanical Outline):

Ò»°ãÖ¸±ê (Mechanical Specifications):
| ²ÄÖÊ£º | ÂÁ¶Û»¯£¬£¬£¬£¬ÍâÅçÆá |
| ³ß´ç£º | 128.2 X 80 X 33.3(³¤¿í¸ß mm) |
| ÖØÁ¿£º | Ô¼ 730 ¿Ë |
ÊÖÒÕÖ¸±ê (Electronic Specifications):
| ƵÂÊ£º | 12-18 GHz |
| פ²¨£¨Typ.£©£º | ≤1.3 |
| ²îË𣺠| ≤0.8 dB |
| ¸ôÀ룺 | >40 dB |

